Арт.: 059797

Профиль SL-LINIA49-F-2000 ANOD (BY) (Arlight, Алюминий)

Распечатать
Поделиться
НОВИНКА
Произведено в Беларуси
Произведено в Беларуси
Общие характеристики
Тип товара
Профиль
Назначение
Для прямоугольных светильников
Форма (сечение)
С фланцем
Цвет покрытия
Серебристый
Материал корпуса
Алюминий
Индивидуальная покраска
Возможна
Гарантийный срок
2 год(а)
Модельный ряд
SL-LINIA
Способ монтажа
Встраиваемый с накладным фланцем
2 61345 ₽/м

В наличии

Пленочная упаковка (полистирол) 2 м — 5 22690
Пленочная упаковка (полистирол) 2 м 5 22690
Способы получения заказа Способы получения заказа Доставка
Описание
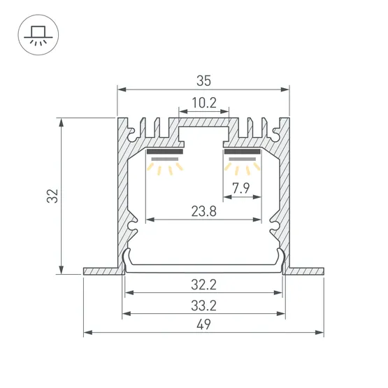
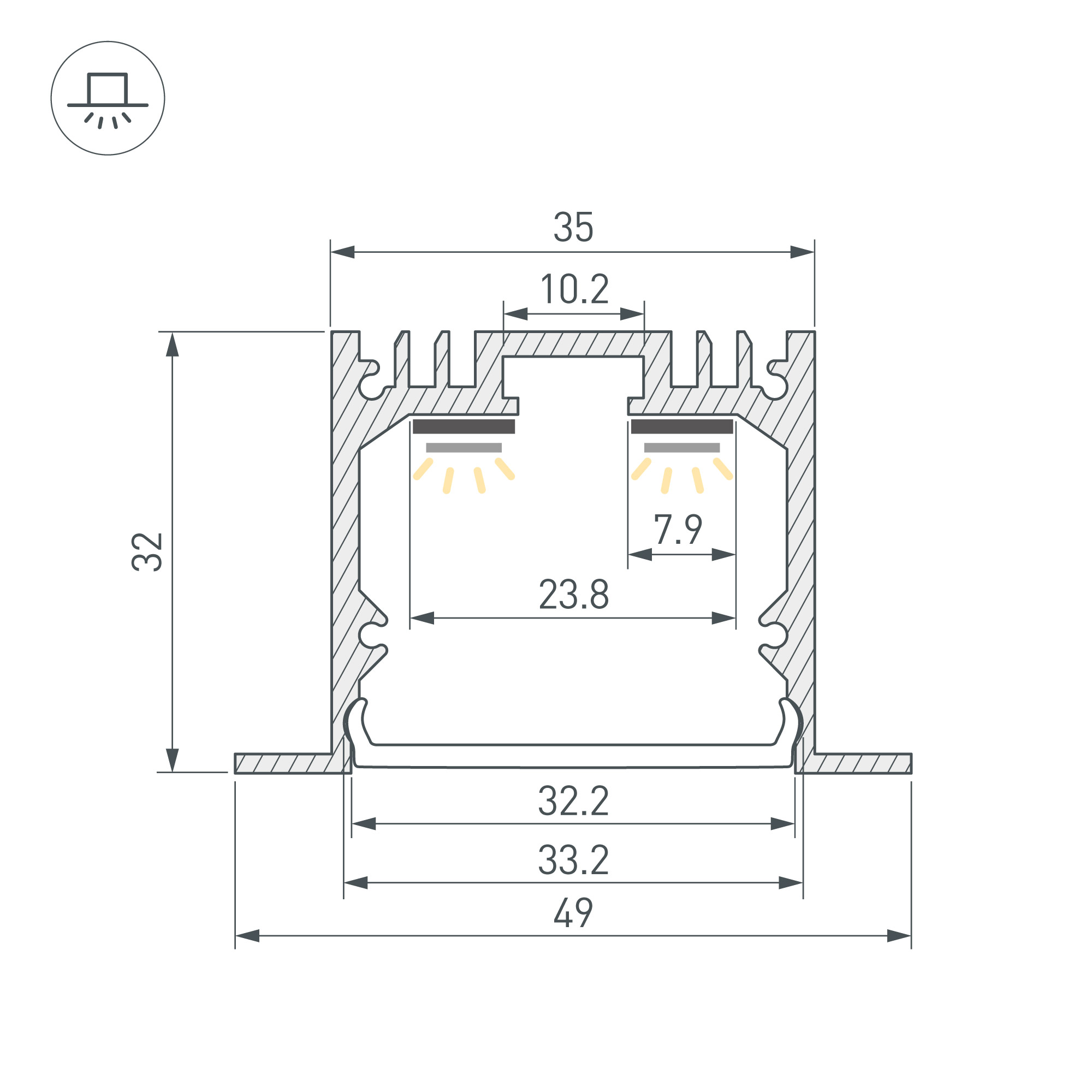
Встраиваемый профиль с накладным фланцем из анодированного алюминия для основной и контурной подсветки помещений. Габаритные размеры профиля составляют 2000 мм в длину, 49 мм в ширину и 32 мм в высоту, паз для установки 35 мм. Площадка для установки светодиодных лент позволяет использовать одну ленту шириной от 17 до 23 мм и мощностью до 39,4 Вт/м или две ленты шириной до 7 мм и мощностью 19,7 Вт/м каждая. Это обеспечивает гибкость в выборе светодиодных лент и создает потрясающие световые решения. Экраны, заглушки и другие аксессуары не включены в комплект и приобретаются отдельно. Цена указана за 1 метр профиля. Отличное решение для создания современных световых проектов.
Характеристики
Алюминиевый анодированный профиль для светодиодных лент и линеек. Габаритные размеры (L×W×H): 2000x49x32 мм, паз для установки 35 мм. Ширина площадки для ленты 23,8 мм. Экраны, заглушки и другие аксессуары приобретаются отдельно. Цена за 1 метр.
Общие
Артикул
059797
Тип товара
Профиль
Назначение
Для прямоугольных светильников
Форма (сечение)
С фланцем
Цвет покрытия
Серебристый
Материал корпуса
Алюминий
Индивидуальная покраска
Возможна
Гарантийный срок
2 год(а)
Модельный ряд
SL-LINIA
Способ монтажа
Встраиваемый с накладным фланцем
Светотехнические
КПД профиля (cветовой)
76 %
Эксплуатационные
Внешний вид поверхности
Матовая
Покрытие поверхности
Анодирование
Ширина световой линии
32.2 мм
Рассеиваемая тепловая мощность на 1м
max: 39.4 W
Габариты
Длина
2000 мм
Ширина
49 мм
Высота
32 мм
Ширина площадки
23.8 мм
Глубина установки источника света
23.54 мм
Другие
Кратность цены за 1 м/шт
1
Модели серии (19)
Страница серии
Item 1 of 19